МТК Производственно-коммерческая фирма Производственно-коммерческая фирма
ул. Блюхера, д. 45, оф. 1 Екатеринбург
+7 (343) 360-92-00
Оформить заявку
И принять условия Соглашения об использовании сайта, в том числе в части обработки и использования персональных данных
Получить консультацию
И принять условия Соглашения об использовании сайта, в том числе в части обработки и использования персональных данных
Подписаться на рассылку

Получайте информацию о выгодных спецпредложениях и поступлениях


Стрелка вверх
Оформить заявку
Корзина: 0

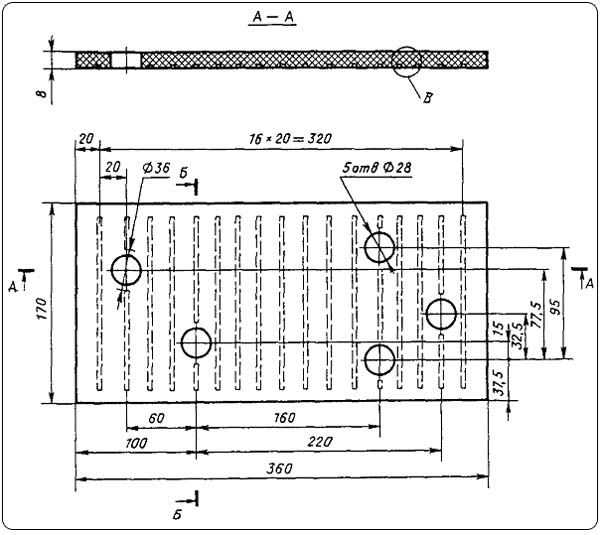
Прокладка нашпальная ЦП-67 (под Д-65)

Потребовалось купить прокладку ЦП-67 в Екатеринбурге с доставкой по городу и области? Вы можете обратиться в ООО «Металло-транспортная компания» - нужный материал верхнего строения пути вы получите в согласованные сроки. Мы занимаемся оптовой торговлей и готовы к постоянному сотрудничеству. Заинтересованы? Заполняйте заявку на сайте или звоните нам - +7 (343) 360-92-00, 360-92-02.

Область применения

Устанавливается прокладка ЦП-67 под подкладку Д-65. Она обладает амортизирующими свойствами и обеспечивает:

  • поглощение резонансных волн;
  • распределение нагрузки по железнодорожной линии;
  • электрическую изоляцию.

Описание

Прокладка ЦП-67 обладает рабочим ресурсом, равным 200 млн. тонн. Изготовленная из резиновой смеси комплектующая выдерживает температуру от – 30º С до + 60º С. Она сохраняет упругость и выполняет свои функции на протяжении около 10 лет.

Технический характеристики

Характеристика Значение
Габаритные размеры, мм 360х170х8
Масса, кг 0,6
Количество в 1 тонне 1724 шт.
Подходит для Д-65, СД-65
ГОСТ, ТУ ТУ 2539-161-01124323-2003
Интервал температуры от – 30 С до + 60 С.

Чертеж

Доставка

Заказывайте прокладки ЦП-67 и получайте покупку в максимально короткие сроки. Мы доставим ее на собственном или наемном транспорте. Наш склад находится в Екатеринбурге. К нему обеспечен удобный проезд на железнодорожном и грузовом транспорте. Получить консультацию по цене услуг можно у нашего менеджера.


Форма заявки
И принять условия Соглашения об использовании сайта, в том числе в части обработки и использования персональных данных